PELCO Prep-Eze microwave specimen dish kits
The PELCO Prep-Eze Specimen Dish Kits come with a rectangular polypropylene tray that have 6, 12, or 24 wells which fit 6, 1.5, or 0.5ml polyethylene specimen dishes respectively. They can be used for many steps of specimen processing, staining, and fixation. The unique design provides simpler handling, reduction in the volume of chemicals needed, and separation of samples from one another. As such, they are particularly useful for the labelling of free-floating sections, on the bench or in the microwave.
The removable dishes allows for any number of specimen dishes to be used at a given time depending on the number of samples to be processed. Once processing is completed, used specimen dishes can be discarded and replaced (specimen dish refills available).
The Specimen Dish Kits may only be chemically sterilised. All components are suitable for use in microwave processing.
Outside dimensions of wellplate inserts (W x L x H): 81.3 x 123.5 x 6.5mm
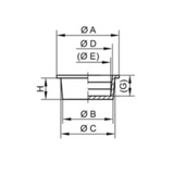
| Dimensions | A | B | C | D | E | G | H |
| 6ml Dish | 35 | 30 | 32 | 30.6 | 28.4 | 13.8 | 14 |
| 1.5ml Dish | 21 | 17.4 | 18.8 | 18 | 16.4 | 8.8 | 9.2 |
| 0.5ml Dish | 16 | 13.3 | 14.4 | 12.8 | 11.6 | 6.8 | 7 |
Kit Components:
HTP36180 – one 6-well tray, 25 Specimen Dishes (6ml)
HTP36181 – one 12-well tray, 50 Specimen Dishes (1.5ml)
HTP36182 – one 24-well tray, 100 Specimen Dishes (0.5ml)
| Code | Type | Pack Size | Availability | Price | Updated: 26-10-2025 |
|---|---|---|---|---|---|
| HTP36180 | 6ml dish kit | Each | 0 in stock (?) | $227.00 AUD | |
| HTP36180-25 | 6ml dishes | Pack/25 | 0 in stock (?) | $59.00 AUD | |
| HTP36181 | 1.5ml dish kit | Each | 0 in stock (?) | $227.00 AUD | |
| HTP36181-50 | 1.5ml dishes | Pack/50 | 0 in stock (?) | $51.00 AUD | |
| HTP36182 | 0.5ml dish kit | Each | 0 in stock (?) | $238.00 AUD | |
| HTP36182-100 | 0.5ml dishes | Pack/100 | 0 in stock (?) | $321.00 AUD |
* Ordering Schedule
This item is available for back-order where 0 stock is listed.
We order from this manufacturer weekly, with an estimated lead time of 3 weeks.
This is the estimated lead time, based on the average time taken previously to fill orders from this particular supplier.
Lead times are from when we receive your order until when we fill your order. For delivery times, please see shipping information below.
